ASTM A36 IPE BEAM
EN 10219 S235JRH MS Cold Formed Rectangular Tube Stockists in India, Carbon Steel S235JRH Rectangular Hollow Section Suppliers in Mumbai, Cold Formed EN 10219 S235JRH RHS Pipe.
When it comes to ASTM A36 IPE Beam, Hollow Section Profiles is one of the best manufacturers, suppliers, and exporters of ASTM A36 IPE European Wide Flange Beams. These IPE Beams possesses the best corrosion resistance properties. The International quality standards of these European Wide Flange Beams are EN 10024; 1995. These European Wide Flange Beams can be welded, connected, and hot-rolled. Hollow Section Profiles, These ASTM A36 IPE Beams are manufactured under the proper guidance and direction of industry experts. It provides longer durability.
These ASTM A36 IPE Beams can carry weight at the time when wind or an earthquake occurs. These ASTM A36 IPE Beams are not that heavy in weightage. Upper and These ASTM A36 IPE Beams are used in power plants, industrial sheds, warehouses, offshore structures. The upper and lower horizontal part of these ATM A36 IPE Beams are called as flanges This ASTM A36 IPE Beam provides the required balance and stability to the construction. These ASTM A36 IPE Beams are used in most of the construction projects. These ASTM A36 IPE Beams has been an ideal choice for construction projects as it provides high strength and it gets manufactured at very cheap rates comparing to other beams.
These IPE Beams are produced in different patterns and shapes such as in circular shape or rectangular shape. At Hollow Section Profiles these ASTM A36 IPE Beams are available in different dimensions starting from 100 mm to 220mm, customers can order these IPE Beams as per their specifications. These ASTM A36 IPE Beams can also be used in refineries, railway bridges, power plants, etc. ASTM A36 IPE Beams comes with a perfect finish, compact design, and high tensile strength.
Grade S235JRH Cold Formed Welded Structural Rectangular Hollow Section, EN 10219 S235JRH Seamless Cold Formed Rectangular Hollow Section Tubing, EN 10219 Cold Formed S235JRH ERW RHS Pipes Dealers in India.
Specification of ASTM A36 IPE BEAM
- Specification
| Size | 100mm x 100mm — 1000mm x 3000mm — |
| Wall Thickness | 0.5mm – 25mm |
| Length | 6000-14000 mm |
| Dimensional Tolerances | Thickness (All sizes +/- 10%) |
| Packing | In bundles, Anticorrosion heat preservation, Varnish coating, Ends can be bevelled or square cut, End Capped Certification & supplementary test, Finishing & Identity Mark |
| Surface Protection | Black (Self Coloured uncoated), Varnish/Oil Coating, Pre-Galvanized, Hot Dip Galvanized |
Properties
ASTM A36
- Equivalent Grade Of ASTM A36
- Chemical Composition
| EN | USA | GB | BS | JIS | ISO | IS |
| Fe360D2, S235J2G4 | A36 | Q235D | 40EE | SM 400 A | Fe 360B | IS 226 |
| Grade | C | Si | Mn | P | S |
| ASTM A36 | 0.25 max. | 0.4 max. | 0.8-1.2 | 0.035 max. | 0.035 max. |
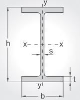
size and weight
- Dimensions

| Profile | Dimensions, mm | Weight | Section area | |||
| h | b | s | t | kg/m | cm2 | |
| IPE 80 | 80 | 46 | 3,8 | 5,2 | 6,0 | 7,64 |
| IPE 100 | 100 | 55 | 4,1 | 5,7 | 8,1 | 10,3 |
| IPE 120 | 120 | 64 | 4,4 | 6,3 | 10,4 | 13,2 |
| IPE 140 | 140 | 73 | 4,7 | 6,9 | 12,9 | 16,4 |
| IPE 160 | 160 | 82 | 5 | 7,4 | 15,8 | 20,1 |
| IPE 180 | 180 | 91 | 5,3 | 8 | 18,8 | 23,9 |
| IPE 200 | 200 | 100 | 5,6 | 8,5 | 22,4 | 28,5 |
| IPE 220 | 220 | 110 | 5,9 | 9,2 | 26,2 | 33,4 |
| IPE 240 | 240 | 120 | 6,2 | 9,8 | 30,7 | 39,1 |
| IPE 270 | 270 | 135 | 6,6 | 10,2 | 36,1 | 45,9 |
| IPE 300 | 300 | 150 | 7,1 | 10,7 | 42,2 | 53,8 |
| IPE 330 | 330 | 160 | 7,5 | 11,5 | 49,1 | 62,6 |
| IPE 360 | 360 | 170 | 8 | 12,7 | 57,1 | 72,7 |
| IPE 400 | 400 | 180 | 8,6 | 13,5 | 66,3 | 84,5 |
| IPE 450 | 450 | 190 | 9,4 | 14,6 | 77,6 | 98,8 |
| IPE 500 | 500 | 200 | 10,2 | 16 | 90,7 | 116 |
| IPE 550 | 550 | 210 | 11,1 | 17,2 | 106 | 134 |
| IPE 600 | 600 | 220 | 12 | 19 | 122 | 156 |
Industries We Serve :
Packaging Used By Us :
People Also Search For
IS 4923 YST 210 Cold Formed SHS Tube, IS 4923 YST210 Cold Formed CS Square Hollow Section Supplier in Mumbai, Cold Formed Hollow Section IS 4923 YST 210, IS 4923 YST 210 Hollow Section Square, IS 4923 YST 210 Seamless Cold Formed Square Hollow Section Tubing, IS 4923 Grade YST 210 Cold Formed ERW Square Hollow Section
Worldwide Exporters
In Cities Like
Baroda, Hanoi, Ho Chi Minh City, Courbevoie, Navi Mumbai, Visakhapatnam, Bangkok, Cairo, Jeddah, Toronto, Jakarta, Doha, Ranchi, Vadodara, Seoul, Faridabad, Ulsan, Chiyoda, Lahore, Nagpur, Haryana, Colombo, Atyrau, Lagos, Ludhiana, Jamshedpur, Nashik, Geoje-si, Abu Dhabi, Ahvaz, Edmonton, Al Khobar, Kuwait City, Dammam, New York, London, Rio de Janeiro, Bhopal, New Delhi, Singapore, Ahmedabad, Karachi, Port-of-Spain, Riyadh, Dallas, Manama, Brisbane, Kolkata, Pimpri-Chinchwad, Gimhae-si, Gurgaon, Busan, Petaling Jaya, Houston, Howrah, Granada, Coimbatore, Kanpur, Mumbai, Thane, Pune, Algiers, Moscow, Perth, Aberdeen, Muscat, Bengaluru, Calgary, Sydney, Chandigarh, Tehran, Secunderabad, Montreal, Los Angeles, Kuala Lumpur, Ernakulam, Madrid, Noida, Mexico City, Vung Tau, Thiruvananthapuram, Hyderabad, Milan, Al Jubail, La Victoria, Chennai, Ankara, Istanbul, Hong Kong, Surat, Caracas, Indore, Melbourne, Sharjah, Bogota, Jaipur, Dubai, Santiago, Rajkot.
In Countries Like
Lithuania, Brazil, South Korea, United Arab Emirates, Slovakia, Ukraine, Hungary, Poland, Bhutan, Singapore, Iran, Egypt, Italy, South Africa, Nepal, Czech Republic, Kenya, Yemen, Qatar, France, Greece, Netherlands, Peru, Thailand, Philippines, Azerbaijan, Kazakhstan, Lebanon, Ghana, United States, Bolivia, Switzerland, Gabon, Mexico, Malaysia, Sweden, Croatia, Mexico, Estonia, Indonesia, New Zealand, Afghanistan, Hong Kong, Kuwait, Finland, Australia, Iraq, Sri Lanka, Austria, Canada, Iran, Costa Rica, China, Belgium, Angola, United Kingdom, Romania, Spain, Gambia, Nigeria, Turkey, Venezuela, Chile, Russia, Taiwan, Ireland, Namibia, Vietnam, Germany, Portugal, Norway, Denmark, Morocco, Belarus, Bahrain, Algeria, Oman, India, Ecuador, Bangladesh, Mongolia, Japan, Libya, Puerto Rico, Trinidad & Tobago,Tunisia, Colombia, Zimbabwe, Macau, Poland, Chile, Jordan, Nigeria, Serbia, Pakistan, Israel, Argentina, Bulgaria, Tibet, Saudi Arabia.